quel interrupteur est ce ?

Feux, démarrage, batterie,...
Répondre
snapepe
Messages : 138
Enregistré le : 14 juin 2024, 10:25
Région : France - Bretagne

quel interrupteur est ce ?

Message par snapepe »

bonjour à tous .
j'ai presque fini mon tableau de bord sur ma MG B cabriolet RH de 1976.

j'ai juste encore un petit probleme d'interrupteur des feux avants.
.
je ne connais pas son fonctionnement et j'ai les phares qui s'allument en meme temps que les codes.
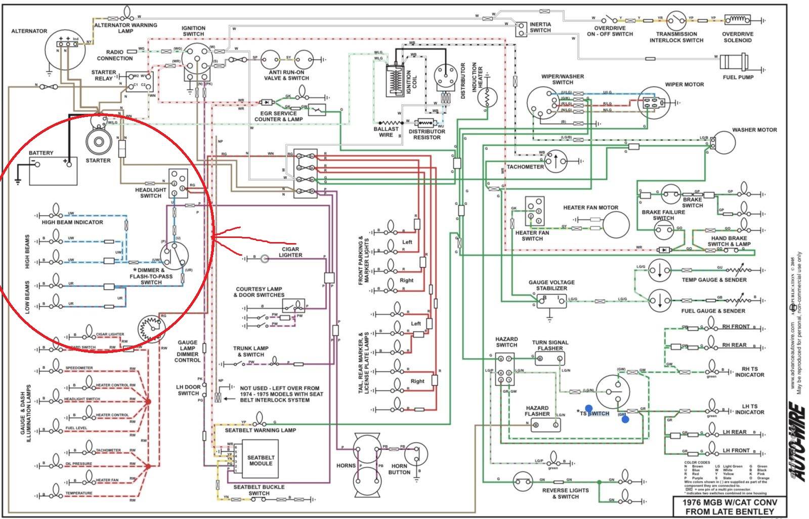
circuit électrique MG 1 .jpg
circuit électrique MG 1 .jpg (235.71 Kio) Vu 282 fois
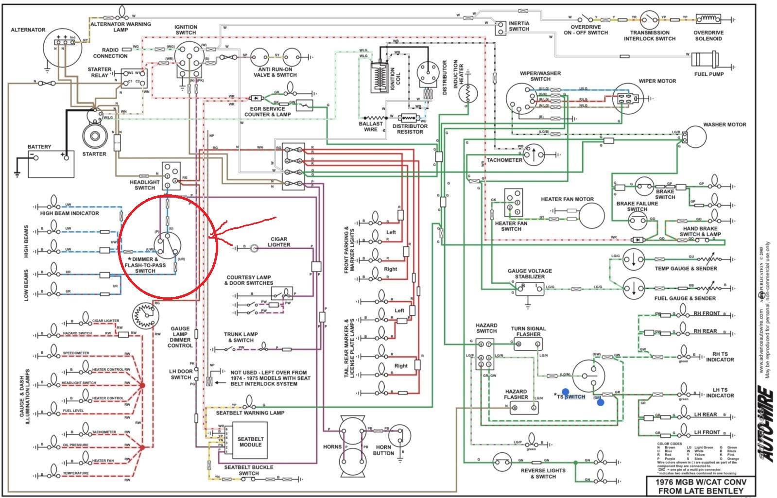
c,est cet interrupteur là qui me pose probleme
c,est cet interrupteur là qui me pose probleme
circuit électrique MG 2.jpg (233.49 Kio) Vu 282 fois
votre avis ?
saby
.
.
Messages : 21509
Enregistré le : 16 janv. 2012, 20:19

Re: quel interrupteur est ce ?

Message par saby »

c,est cet interrupteur

l’interrupteur en question c’est, sans doutes, le commodo, il faut examiner quel est son problème.

Image
snapepe
Messages : 138
Enregistré le : 14 juin 2024, 10:25
Région : France - Bretagne

Re: quel interrupteur est ce ?

Message par snapepe »

D'accord.
Je ne sais même pas s'il fonctionne.
Je vais regarder ça de plus près.
Répondre