Bonjour, (j'ai envoyé ce post, mais pas sûr qu'il soit parti... je retente)
Je reviens sur mes problèmes de réglages allumeur ou (et?) carburateurs. Je rappelle brièvement les circonstances et configuration :
- j'ai remonté après restau mon moteur 18V LC, d'une authentique B anglaise de 1974.
- j'ai fait environ 100 km, ça tournait pas trop mal pour un début si ce n' est des à coups en montée, alors j'ai voulu revoir le calage , la carburation...
- allumeur 25D, carbus HIF dont j'ai remplacé les puits, les pointeaux, les joints sauf ceux de la partie starter , pensant qu'il n'était pas nécessaire de desacoupler les carbus alors que je n'avais comme défaut initial qu'un écoulement d'un trop plein d'essence parfois (pointeaux...).
- allumage électronique basique à effet hall , capsule sans tubulure (non utilisée)
- essais des 100km au super 95, puis du 98 pour les réglages en question - au garage (plus roulé depuis, vu l'objet de mon post...)
- compression toutes égales à environ 9,3 bar (réalesage en côte 030, pistons et segments en rapport), c'est une LC...
Les problèmes :
- ça tourne mal , ralenti indomptable, bougies très noires sauf la 2 noyée ?! De plus les bougies 1 et 2 sont moins chaudes au toucher que les 3 et 4: de toute évidence ça distribue mal ! Je pivote l'allumeur récalcitrant dans un sens dans l'autre, toujours pareil. En fin de journée je me rends compte que la bague magnétique n'est pas enfoncée à fond : chose faite, j'arrête là, confient d'une continuation plus heureuse le lendemain.
Le lendemain donc, je démarre plutôt facilement, ça pétarade un peu, mais surtout le régime est très haut , bien 2500 rpm ! Je saute sur les vis de ralenti, que je dévisse au maximum (elles ne touchent plus leurs points d' appuie ..) : 2000 rpm, rien de moins.
J'arrête le moteur, démonte les bougies pour la centième fois, je remarque un mieux: la bougie 2 n'est plus noyée mais très noires comme les autres, leurs températures semblent identiques - le doigt et la bague remplissent donc mieux leur rôle. A noter qu'avant ça, environ 0,5 l d'essence non brûlée est passée dans l'huile toute neuve: bon pour une vidange, en espérant ne pas prendre trop de risques jusque là...?
- L'axe de l'entraîneur placé sur 1h , avant ce dernier épisode je décidai de le placer sur 2h (en fait entre 2 et 3h plutôt, mais vu que une dent d'écart fait 40°...), bien sûr, comme je le pensais, ça n'a rien changé.
- bougies noires, avant de redémarrer je baisse encore un peu les richesses ( je suis à 1 tour, alors que préconisé 2 en général...)
- je fais tourner un peu, toujours au ralenti minimum vers 2000 rpm, je démonte à nouveau les bougies : toujours noires ! Mon problème semble bien venir de mon calage. Je l'avais positionné là où le régime moteur était à son maximum, logique, non? ; au stroboscope, je ne sais quoi en penser, je relève des angles entre 30 et disons 45° . Quand je vais vers les 20° ça tend (diabolique en effet...) vers l'arrêt.
Qu'en pensent les mgbistes avertis ? Je pense que c'est du connu, ce type d'emmerde, pas par moi hélas. Plutôt calage, plutôt carbus, les deux... ?
Pourquoi je ne parviens pas à baisser le régime ? Des bougies noires alors que la richesse est au plus bas ?
Merci de me faire part de vos savoirs et analyses, j'aimerais bien m'offrir une petite "B" qui tourne bien pour Noël - si possible.
Ralenti très haut, etc...
-
Robrob
- Messages : 50
- Enregistré le : 04 mai 2020, 13:58
- Région : France - PACA
- Type : B
- année : 1975
-
En lignesaby
- .

- Messages : 21518
- Enregistré le : 16 janv. 2012, 20:19
Re: Ralenti très haut, etc...
Mon problème
il faudrait que vous repreniez tout à zéro, un calage sérieux de l’allumage, avec un allumeur en bon état, une vérification sérieuse des carburateurs, y compris des starters. pour une raison à déterminer les papillons ne doivent pas se fermer complètement, si les vis de ralenti ne touchent pas leur butée, habituellement, il n’y a pas de ralenti. le contrôle de la coloration des bougies se fait après un parcours d’une trentaine de kilomètres dans certaines conditions, à l’arrêt, au «ralenti», cela ne sert à rien.
il faudrait que vous repreniez tout à zéro, un calage sérieux de l’allumage, avec un allumeur en bon état, une vérification sérieuse des carburateurs, y compris des starters. pour une raison à déterminer les papillons ne doivent pas se fermer complètement, si les vis de ralenti ne touchent pas leur butée, habituellement, il n’y a pas de ralenti. le contrôle de la coloration des bougies se fait après un parcours d’une trentaine de kilomètres dans certaines conditions, à l’arrêt, au «ralenti», cela ne sert à rien.
- Jidé de Grasse
- .

- Messages : 15996
- Enregistré le : 16 oct. 2008, 15:07
- Région : France - PACA
- Type : Plusieurs
- année : 1960
- Contact :
Re: Ralenti très haut, etc...
d'accord avec Saby. Tu pars dans tous les sens, ça ne peut pas le faire.
Il y a un point que je ne comprends pas dans ton discours : - L'axe de l'entraîneur placé sur 1h , avant ce dernier épisode je décidai de le placer sur 2h (en fait entre 2 et 3h plutôt, mais vu que une dent d'écart fait 40°...), bien sûr, comme je le pensais, ça n'a rien changé.
Quelle dent ? quand tu dévisses la bride de l'allumeur pour le faire pivoter, tu peux tourner d'un demi-mm ou de plusieurs si tu le souhaites, ce n'est pas un engrenage que tu décales ???
Il y a un point que je ne comprends pas dans ton discours : - L'axe de l'entraîneur placé sur 1h , avant ce dernier épisode je décidai de le placer sur 2h (en fait entre 2 et 3h plutôt, mais vu que une dent d'écart fait 40°...), bien sûr, comme je le pensais, ça n'a rien changé.
Quelle dent ? quand tu dévisses la bride de l'allumeur pour le faire pivoter, tu peux tourner d'un demi-mm ou de plusieurs si tu le souhaites, ce n'est pas un engrenage que tu décales ???
- JMAU
- .

- Messages : 16446
- Enregistré le : 05 févr. 2012, 16:39
- Région : France - Bretagne
- Type : Plusieurs
- année : 1952
- Serie speciale : A Coupé 1600 Mk II 1962 - TF 135 2002
Re: Ralenti très haut, etc...
Je crains avoir compris...
L'axe d'entrainement du distributeur a effectivement 9 dents (360 / 9 = 40).
Remets d'abord cette pièce correctement dans son logement ... (voir manuel ou liens).
https://www2.mgcontact.eu/phpBB2/viewtopic.php?t=38751
Pour MGA (mais pour B c'est pareil!)
https://mgaguru.com/mgtech/ignition/ig103.htm
https://www.youtube.com/watch?v=unlA7pNGUeU
(> minute 5)
-
Robrob
- Messages : 50
- Enregistré le : 04 mai 2020, 13:58
- Région : France - PACA
- Type : B
- année : 1975
Re: Ralenti très haut, etc...
Bonjour,
Oui Jidé, j'ai fait un peu court et je pense qu'en effet JMAU a compris de quoi je parle: l'axe d'accouplement à l'allumeur- engrenage conique à 9 dents en prise avec l'arbre à cames d'un côté et disque comportant une rainure décentrée de l'autre afin de recevoir l'extrémité de l'allumeur... C'est de cette rainure qu'il s'agit pour ce qui est de son angle, en pivotant dans le sens trigo ou antihoraire d'environ 20° , elle indique environ 2h . Si je décale d'une dent
L'axe d'accouplement, l'heure indiquée sera : 20+40 (360/9) = 60° , d'où environ 1h...
Donc JMAU, je pense que j'ai correctement positionné l'ensemble (merci pour ton renvoi au schéma):
- pignons de distribution, points en regard ( avec un léger écart incorrigible, d'une demi dent au maximum ?...), quand le piston 1 est au PMH compression.
- jeu aux culbuteurs réglé à 0,40 environ
- rainure en question bien positionnée sur 2h .
Je démarre plutôt facilement ( mettons de côté la suie qui recouvre les bougies...) c'est juste que , richesse plutôt pauvre (!?) je pense (1 tour / au plan...)
Vis des ralentis dévissées au max , ça tourne à 2000 et plus !
Questions : - si la richesse est insuffisante, le moteur aurait il tendance à monter dans les tours ?
- je pivote l'allumeur pour avoir les rpm les plus hauts, pensant que c'est signe du meilleur fonctionnement, ai je raison ? Car avec un allumage électronique les 8° statique et 12° dynamique, je pense que ... Au strobo, je le disais , je relève des angles de l'ordre 35 à 45° ! vers les 2000 rpm il est vrai...
Enfin, j'y retourne dès que je le peux pour d'autres tentatives. Merci pour vos avis.
Oui Jidé, j'ai fait un peu court et je pense qu'en effet JMAU a compris de quoi je parle: l'axe d'accouplement à l'allumeur- engrenage conique à 9 dents en prise avec l'arbre à cames d'un côté et disque comportant une rainure décentrée de l'autre afin de recevoir l'extrémité de l'allumeur... C'est de cette rainure qu'il s'agit pour ce qui est de son angle, en pivotant dans le sens trigo ou antihoraire d'environ 20° , elle indique environ 2h . Si je décale d'une dent
L'axe d'accouplement, l'heure indiquée sera : 20+40 (360/9) = 60° , d'où environ 1h...
Donc JMAU, je pense que j'ai correctement positionné l'ensemble (merci pour ton renvoi au schéma):
- pignons de distribution, points en regard ( avec un léger écart incorrigible, d'une demi dent au maximum ?...), quand le piston 1 est au PMH compression.
- jeu aux culbuteurs réglé à 0,40 environ
- rainure en question bien positionnée sur 2h .
Je démarre plutôt facilement ( mettons de côté la suie qui recouvre les bougies...) c'est juste que , richesse plutôt pauvre (!?) je pense (1 tour / au plan...)
Vis des ralentis dévissées au max , ça tourne à 2000 et plus !
Questions : - si la richesse est insuffisante, le moteur aurait il tendance à monter dans les tours ?
- je pivote l'allumeur pour avoir les rpm les plus hauts, pensant que c'est signe du meilleur fonctionnement, ai je raison ? Car avec un allumage électronique les 8° statique et 12° dynamique, je pense que ... Au strobo, je le disais , je relève des angles de l'ordre 35 à 45° ! vers les 2000 rpm il est vrai...
Enfin, j'y retourne dès que je le peux pour d'autres tentatives. Merci pour vos avis.
-
En lignesaby
- .

- Messages : 21518
- Enregistré le : 16 janv. 2012, 20:19
Re: Ralenti très haut, etc...
il est vrai
l’avance à l’allumage centrifuge à 2000 tr/mn devrait être de 16°.
le système de l’avance centrifuge fonctionne avec des masselottes qui ont un certain poids et deux ressorts, l’un étant plus souple que l’autre. certes il y a des butées mais si, par exemple, les ressorts sont hors service les masselottes vont rapidement sur ces butées. 45° c’est beaucoup …
richesse plutôt pauvre avec de la suie sur les bougies ?. le régime de ralenti est conditionné par l’ouverture des papillons, il faudrait peut être vérifier la position réelle des papillons au ralenti
l’avance à l’allumage centrifuge à 2000 tr/mn devrait être de 16°.
le système de l’avance centrifuge fonctionne avec des masselottes qui ont un certain poids et deux ressorts, l’un étant plus souple que l’autre. certes il y a des butées mais si, par exemple, les ressorts sont hors service les masselottes vont rapidement sur ces butées. 45° c’est beaucoup …
richesse plutôt pauvre avec de la suie sur les bougies ?. le régime de ralenti est conditionné par l’ouverture des papillons, il faudrait peut être vérifier la position réelle des papillons au ralenti
-
Robrob
- Messages : 50
- Enregistré le : 04 mai 2020, 13:58
- Région : France - PACA
- Type : B
- année : 1975
Re: Ralenti très haut, etc...
J'y suis retourné cet aprem pour une nouvelle tentative : pire ! Je démarre, plutôt facilement avec l'aide brève du starter et là ça monte dans les tours à 3000 ! Ayant préalablement remis les vis de ralenti et de richesse à des positions à peu près normales, je refais un peu pareil que la dernière fois : je baisse les deux mais rien ne change . Le pivotement de l'allumeur agit peu sur le régime, ce qui me ferait dire qu'il n'est pas la cause de ce haut régime. C'est comme si j'avais un starter permanent . Serait il possible que suite au remplacement des pointeaux et puits quelque chose se soit passé au niveau des ralentis rapides (je n'avais rien démonté à ce niveau) ? Mais bon , les deux ?... Je me suis répété, mais là je tourne un peu en rond au milieu de mes méconnaissances.
-
En lignesaby
- .

- Messages : 21518
- Enregistré le : 16 janv. 2012, 20:19
Re: Ralenti très haut, etc...
la cause
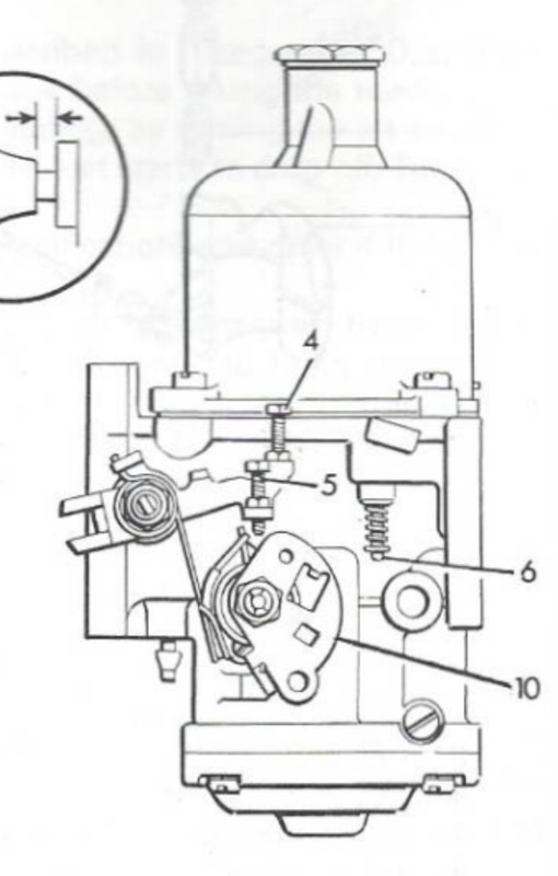
le régime de ralenti est réalisé par l’ouverture des papillons. le système de starter est muni d’une came de ralenti accéléré, une vis de réglage agit à partir de cette came sur l’ouverture du papillon. lorsque le système de starter est retiré la vis ne doit plus toucher la came.
#10 came, #5 vis de réglage

le régime de ralenti est réalisé par l’ouverture des papillons. le système de starter est muni d’une came de ralenti accéléré, une vis de réglage agit à partir de cette came sur l’ouverture du papillon. lorsque le système de starter est retiré la vis ne doit plus toucher la came.
#10 came, #5 vis de réglage

- Philoupop
- .

- Messages : 2219
- Enregistré le : 11 nov. 2011, 21:30
- Région : France - Rhône-Alpes
- Type : B
- année : 1973
Re: Ralenti très haut, etc...
A haut régime l'avance atteint en général 30° (à la lampe strobo) sans les dépasser. Il faut tourner l'allumeur de façon à obtenir cette valeur.
Si il est dans les choux (grippé, usé), il faut le démonter et le remettre à niveau.
Ensuite vérifier les carbus : jeux aux commandes des papillons, niveaux de cuve, joints des robinets de starter, enfin tout en ayant démonté les carbus...
Vérifier l'état des durites des reniflards d'huile, l'absence de fuite dans la réaspiration des vapeurs d'huile.
Si il est dans les choux (grippé, usé), il faut le démonter et le remettre à niveau.
Ensuite vérifier les carbus : jeux aux commandes des papillons, niveaux de cuve, joints des robinets de starter, enfin tout en ayant démonté les carbus...
Vérifier l'état des durites des reniflards d'huile, l'absence de fuite dans la réaspiration des vapeurs d'huile.
-
Robrob
- Messages : 50
- Enregistré le : 04 mai 2020, 13:58
- Région : France - PACA
- Type : B
- année : 1975
Re: Ralenti très haut, etc...
Bonjour,
Je suis un âne ! Enfin , plutôt une faiblesse des yeux que du cerveau en l'occurrence. Ayant débranché la durite de dépression du servo ou master vac (étonné qu' en aspirant dessus aucune résistance ne se fait sentir et que d'autre part le niveau du bocal de liquide de frein avait baissé sans raison, vu que je n'ai pas trop eu à freiner ... Je pense que dans un futur je vais le supprimer, comme l'ont fait bien d'autres.), j'avais placé un capuchon en plastique sur la prise du manifoil. Et par je ne sais quel sort jeté, le capuchon a sauté de son emplacement, du coup la mécanique des fluides a dû partir en biberine , ayant eu pour conséquence une montée en régime. Ouf ! Un problème de moins.
Cependant, je fais part de mon expérience de ce jour au cas où vous auriez des idées :
- démarrage plutôt facile après remise du bouchon , ralenti irrégulier et bas , je visse un peu les 2 vis , ça se maintient entre 1100 et 1400 rpm.
- ça tourne mais il y a mieux , je pivote d'un côté l'autre l'allumeur , toujours pareil : je trouve le régime max vers les 40° et plus (au strobo basique). Quand je cherche à me rapprocher des 30° le moteur va au cafouillage. Pour rappel , l'axe de la capsule à dépression fait un angle d'environ 45° avec l'horizontale (le doigt ayant été orienté sur 2h environ...), ce qui est loin de la verticale du dessin récapitulatif .
- La température du LdR reste basse , vers les 60°C : les combustions doivent être partielles ! Je coupe le moteur, retire les fils HT et remarque que les bougies 3 et 4 sont très chaudes (plutôt normal) alors que les 1 et 2 bien moins ...
- je démonte les quatre bougies: 1 et 2 noires ; 3 et 4 très noires de suie , ce qui m'a un peu étonné.
Le plus embêtant pour l'instant est l'incertitude quant au réglage de l'avance - c'est tellement différent de ce que j'ai pu lire .
Navré d'avoir sollicité vos connaissances et avis pour un stupide bouchon . Mais que celà ne vous empêche pas d'exprimer vos impressions sur ce qui précède ; merci .
Voilà pour ce soir,
Je suis un âne ! Enfin , plutôt une faiblesse des yeux que du cerveau en l'occurrence. Ayant débranché la durite de dépression du servo ou master vac (étonné qu' en aspirant dessus aucune résistance ne se fait sentir et que d'autre part le niveau du bocal de liquide de frein avait baissé sans raison, vu que je n'ai pas trop eu à freiner ... Je pense que dans un futur je vais le supprimer, comme l'ont fait bien d'autres.), j'avais placé un capuchon en plastique sur la prise du manifoil. Et par je ne sais quel sort jeté, le capuchon a sauté de son emplacement, du coup la mécanique des fluides a dû partir en biberine , ayant eu pour conséquence une montée en régime. Ouf ! Un problème de moins.
Cependant, je fais part de mon expérience de ce jour au cas où vous auriez des idées :
- démarrage plutôt facile après remise du bouchon , ralenti irrégulier et bas , je visse un peu les 2 vis , ça se maintient entre 1100 et 1400 rpm.
- ça tourne mais il y a mieux , je pivote d'un côté l'autre l'allumeur , toujours pareil : je trouve le régime max vers les 40° et plus (au strobo basique). Quand je cherche à me rapprocher des 30° le moteur va au cafouillage. Pour rappel , l'axe de la capsule à dépression fait un angle d'environ 45° avec l'horizontale (le doigt ayant été orienté sur 2h environ...), ce qui est loin de la verticale du dessin récapitulatif .
- La température du LdR reste basse , vers les 60°C : les combustions doivent être partielles ! Je coupe le moteur, retire les fils HT et remarque que les bougies 3 et 4 sont très chaudes (plutôt normal) alors que les 1 et 2 bien moins ...
- je démonte les quatre bougies: 1 et 2 noires ; 3 et 4 très noires de suie , ce qui m'a un peu étonné.
Le plus embêtant pour l'instant est l'incertitude quant au réglage de l'avance - c'est tellement différent de ce que j'ai pu lire .
Navré d'avoir sollicité vos connaissances et avis pour un stupide bouchon . Mais que celà ne vous empêche pas d'exprimer vos impressions sur ce qui précède ; merci .
Voilà pour ce soir,
-
En lignesaby
- .

- Messages : 21518
- Enregistré le : 16 janv. 2012, 20:19
Re: Ralenti très haut, etc...
Le plus embêtant
40° d’avance à l’allumage à environ 1100 trs/mn ce n’est pas réaliste. problèmes d’allumage, d’allumeur.
16° à 2000 trs/mn ce serait la norme …
40° d’avance à l’allumage à environ 1100 trs/mn ce n’est pas réaliste. problèmes d’allumage, d’allumeur.
16° à 2000 trs/mn ce serait la norme …
- JMAU
- .

- Messages : 16446
- Enregistré le : 05 févr. 2012, 16:39
- Région : France - Bretagne
- Type : Plusieurs
- année : 1952
- Serie speciale : A Coupé 1600 Mk II 1962 - TF 135 2002
Re: Ralenti très haut, etc...
Ne pas oublier que certains troboscopes on un "zéro" variable qui tourne tout seul ... le surveiller !